Elinchrom BX 250 Ri, BX 500 Ri
- Автор
- Сообщение
-
Не в сети
- эксперт
- Сообщения: 10367
- Стаж 13 лет 3 месяца
Re: Elinchrom BX 250 Ri, BX 500 Ri
Уже известно, что стало причиной неисправности? Симистор сгорел или контакты реле "сварились"? Или просто фотограф перегрел неуёмной съемкой?
-
Не в сети
- коллега
- Сообщения: 47
- Стаж 8 лет 7 месяцев
Re: Elinchrom BX 250 Ri, BX 500 Ri
Фотографии сделал, со снятыми конденсаторами (какие смог снять). Пока остановился положил вам в почту. Да, снял и реле, зоодно и проверил, работают хоорошо.
-
Не в сети
- эксперт
- Сообщения: 10367
- Стаж 13 лет 3 месяца
Re: Elinchrom BX 250 Ri, BX 500 Ri
Спасибо, получил. Только исправьте у себя адрес получателя. Теперь это и-мейл админа. Если нужен адрес Гелиса, сообщу в ЛС.
Зарядный симистор исправен, не вы обрыве?
Схему смогу нарисовать только завтра вечером.
Контакты размыкаются? Какое переходное сопротивление? А то бывает, что щелчки слышны, а контакт не размыкается.снял и реле, заодно и проверил, работают хорошо
Зарядный симистор исправен, не вы обрыве?
Схему смогу нарисовать только завтра вечером.
-
Не в сети
- коллега
- Сообщения: 47
- Стаж 8 лет 7 месяцев
Re: Elinchrom BX 250 Ri, BX 500 Ri
Замыкаются-размыкаются, проверено током тестера.
Не собирал, на всякий случай. Завтра соберу, проверю в сборе.
Не собирал, на всякий случай. Завтра соберу, проверю в сборе.
-
Не в сети
- коллега
- Сообщения: 47
- Стаж 8 лет 7 месяцев
Re: Elinchrom BX 250 Ri, BX 500 Ri
Докладываю: Сегодня немного "пообщался" с вспышкой. Оказалось клацает, да не то и без энтузиазма:). Для чего второе реле, то что "клацает" пока не понял.
Реле К301не замыкает цепь 220в. Само реле исправно.
На ключ Т310 с J301:16 что то не то?. В пределах платы эта цепь звонится - обрыва нет. Внимательно рассмотрю базу Т310. Не решусь грубо его включать, может какой то важный запрет заряда висит с платы управления. Завтра может еще пообщаюсь. Если, кто нибудь сталкивался, подскажите. Где то должен быть мегаомный измерительный делитель накопителя, может он "обманыват" плату управления... Успехи пока весьма скромные.
Спасибо.
Реле К301не замыкает цепь 220в. Само реле исправно.
На ключ Т310 с J301:16 что то не то?. В пределах платы эта цепь звонится - обрыва нет. Внимательно рассмотрю базу Т310. Не решусь грубо его включать, может какой то важный запрет заряда висит с платы управления. Завтра может еще пообщаюсь. Если, кто нибудь сталкивался, подскажите. Где то должен быть мегаомный измерительный делитель накопителя, может он "обманыват" плату управления... Успехи пока весьма скромные.
Спасибо.
-
Не в сети
- коллега
- Сообщения: 47
- Стаж 8 лет 7 месяцев
Re: Elinchrom BX 250 Ri, BX 500 Ri
Реле это, которое не включается, после плотного общения с ним оказалось подключением дополнительной цепи умножителя, для 110в сетевого питания. Так что, имеем рем. комплект, - реле, конденсатора и пары диодов.
Результат IGBT транзистор, реле, конденсаторы исправны. Неисправность не найдена.
Результат IGBT транзистор, реле, конденсаторы исправны. Неисправность не найдена.
-
Не в сети
- гость
- Сообщения: 2
- Стаж 4 года 1 месяц
Re: Elinchrom BX 250 Ri, BX 500 Ri
Доброго времени суток всем. Не подскажите какие лампы аналоги можно поставить на Elinchrom BX 500 Ri ?
-
Не в сети
- коллега
- Сообщения: 105
- Стаж 13 лет 3 месяца
- Откуда: Брест, РБ
- Отправить сообщение:
Re: Elinchrom BX 250 Ri, BX 500 Ri
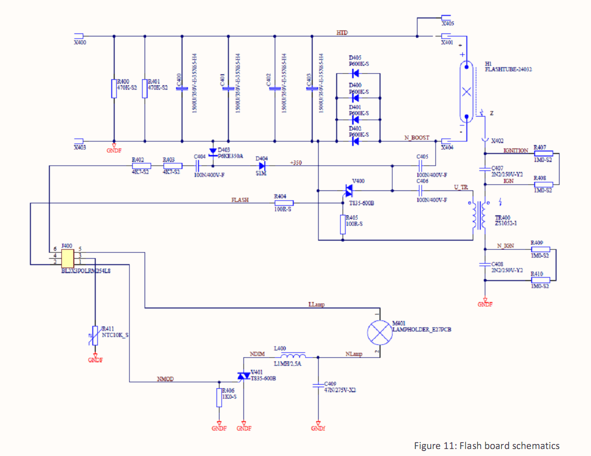
Принципиальная схема FLASH BOARD

Сервис мануал: https://media.elinchrom.se/Devices%20Do ... 20BXRi.pdf есть также на https://www.manualslib.com/

Сервис мануал: https://media.elinchrom.se/Devices%20Do ... 20BXRi.pdf есть также на https://www.manualslib.com/